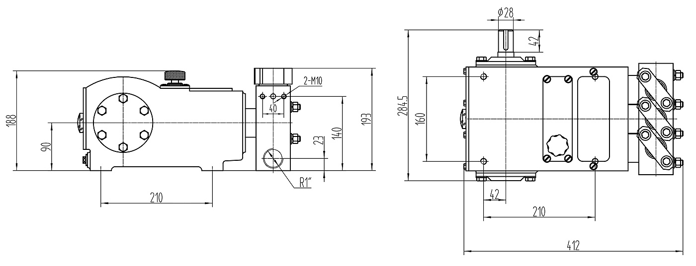
Plunger Pump

3DP20

Stroke Length (mm) :20
Crankcase Oil Capacity (L):1.26
Pump Weight (KG): 51
Recommended SPM for Continuous Duty: ≤510

PREV:no more
NEXT:3DP35
  • Parameters in Metric Units
  • Parameters in Imperial Units

a1.jpg   

 Strokes per Minute75150225300375450525600675750825
 Input Power (kw)0.30.60.91.21.51.82.12.42.72.93.2
Plunger Size(mm)Rated Pressure(bar)Rated Capacity(L/min)
104460.40.71.11.41.82.12.52.83.23.53.9
123100.51.01.52.02.53.13.64.14.65.15.6
142270.71.42.12.83.54.24.85.56.26.97.6
161740.91.82.73.64.55.46.37.28.19.010.0
181381.12.33.44.65.76.98.09.210.311.512.6
201111.42.84.25.77.18.59.911.312.714.115.6
22921.73.45.16.88.610.312.013.715.417.118.8
24772.04.16.18.110.212.214.316.318.320.422.4
26662.44.87.29.611.914.316.719.121.523.926.3
28572.85.58.311.113.916.619.422.224.927.730.5
30503.26.49.512.715.919.122.325.428.631.835.0
31463.46.810.213.617.020.423.827.230.634.037.4
top-title-logo

Company Profile

About Us

News